Датчик-реле давления DL 3AG-3Z

Стоимость товара
19603 руб.
Описание товара
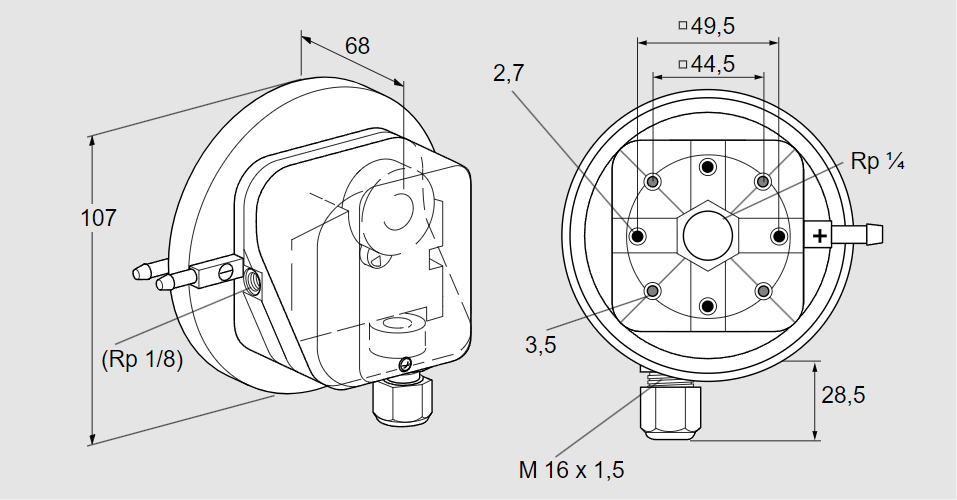
84444451, ДЛ 3АГ-3З Тип: Реле давления воздуха Для контроля давления воздуха и дымовых газов, положительного, отрицательного и дифференциального давления, сертифицирован ЕС. Диапазон регулировки: 0,2–3 мбар, может использоваться как реле давления специальной конструкции. Корпус: с резьбовым соединением Rp 1/4 и трубным соединением с маховиком. С позолоченными контактами: Да Электрическое подключение: Через винтовые клеммы. Код товара: 90262080 Страна происхождения: DE 84444451, DL 3AG-3Z Type: Pressure switch for air For monitoring air and flue gas pressures, for positive pressure, negative pressure and differential pressure, EU certified Adjusting range: 0.2-3 mbar, can be used as ''special-design pressure switch'' Housing: With Rp 1/4 threaded connection and tube connection with hand wheel With gold-plated contacts: Yes Electrical connection: Via screw terminals Commodity code: 90262080 Country of origin: DE
Технические характеристики

Производитель: Kromschröder
Артикул: 84444451