Заслонка дроссельная DKR 125Z03H100D

Стоимость товара
66442 руб.
Описание товара
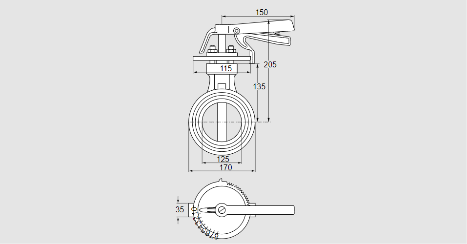
72702100, ДКР 125Z03H100D Тип: Поворотный затвор для воздуха и дымовых газов Для непрерывного контроля скорости потока Номинальный диаметр: Ду 125 Трубное соединение: Для установки между двумя фланцами DIN. Давление на входе: pu макс. 300 мбар Комплект адаптеров: С ручной регулировкой Диапазон температур: 100 °C Исполнение: С зазором диска Код товара: 84818085 Страна происхождения: DE 72702100, DKR 125Z03H100D Type: Butterfly valve for air and flue gas For continuous control of flow rates Nominal diameter: DN 125 Pipe connection: For fitting between two DIN flanges Inlet pressure: pu max. 300 mbar Adapter set: With manual adjustment Temperature range: 100 °C Design: With disc clearance Commodity code: 84818085 Country of origin: DE
Технические характеристики

Производитель: Kromschröder
Артикул: 72702100