Заслонка дроссельная DKR 40Z03H450D
                Стоимость товара
            
            
                46428 руб.
            
        Описание товара
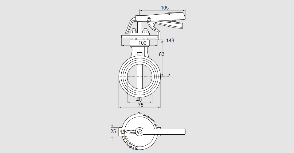
                        72701250, ДКР 40Z03H450D
Тип: Поворотный затвор для воздуха и дымовых газов
Для непрерывного контроля скорости потока
Номинальный диаметр: Ду 40
Трубное соединение: Для установки между двумя фланцами DIN.
Давление на входе: pu макс. 300 мбар
Комплект адаптеров: С ручной регулировкой
Диапазон температур: 450 °C
Исполнение: С зазором диска
Код товара: 84818085
Страна происхождения: DE
72701250, DKR 40Z03H450D
Type: Butterfly valve for air and flue gas
For continuous control of flow rates
Nominal diameter: DN 40
Pipe connection: For fitting between two DIN flanges
Inlet pressure: pu max. 300 mbar
Adapter set: With manual adjustment
Temperature range: 450 °C
Design: With disc clearance
Commodity code: 84818085
Country of origin: DE
                    
                Технические характеристики
Производитель: Kromschröder
Артикул: 72701250
 
        