Клапан регулирующий RV 80/NF02W60E

Описание товара
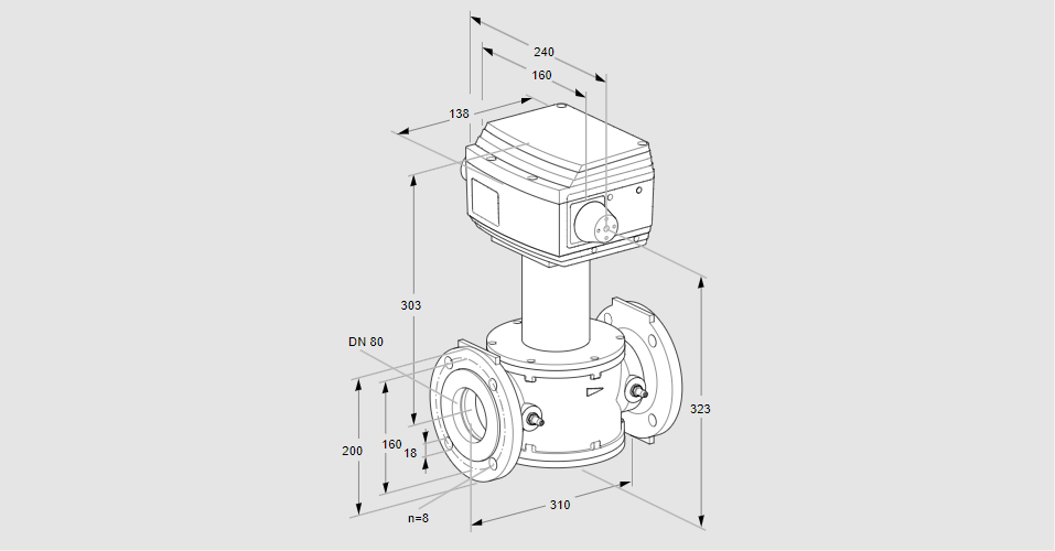
86060861, РВ 80/NF02W60E Тип: Регулирующий клапан Для управления плавно регулируемыми процессами горелки, линейное соотношение между входным сигналом и расходом, соотношение регулирования 100:1, для газа и воздуха, сертифицировано ЕС. Номинальный диаметр: Ду 80 Седло клапана: Н Трубное соединение: Фланец по ISO 7005. Давление на входе: pu макс. 200 мбар Напряжение сети: 230 В~, 50/60 Гц Время работы: 60 с Управление: Непрерывный контроль Код товара: 84818059900 Страна происхождения: DE 86060861, RV 80/NF02W60E Type: Control valve For controlling continuously regulated burner processes, linear ratio between input signal and flow rate, control ratio 100:1, for gas and air, EU certified Nominal diameter: DN 80 Valve seat: N Pipe connection: Flange to ISO 7005 Inlet pressure: pu max. 200 mbar Mains voltage: 230 V~, 50/60 Hz Running time: 60 s Control: Continuous control Commodity code: 84818059900 Country of origin: DE
Технические характеристики

Производитель: Kromschröder
Артикул: 86060861