Клапан регулирующий RVS 50/KF05W60E-6

Описание товара
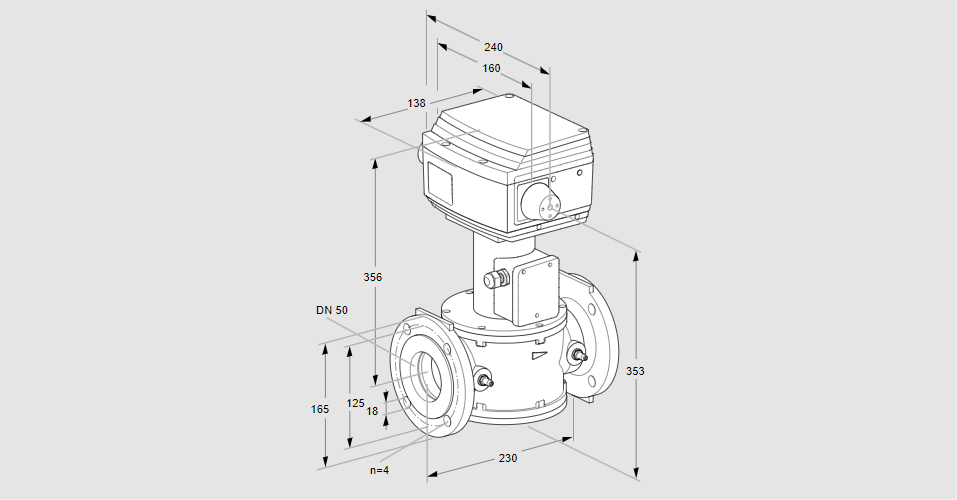
86060265, РВС 50/KF05W60E-6 Тип: Регулирующий клапан с электромагнитным клапаном Для управления плавно регулируемыми процессами горелки, линейное соотношение между входным сигналом и расходом, соотношение регулирования 100:1, для газа и воздуха, сертифицировано ЕС. Номинальный диаметр: Ду 50 Седло клапана: К Трубное соединение: Фланец по ISO 7005. Давление на входе: pu макс. 500 мбар Напряжение сети: 230 В~, 50/60 Гц Время работы: 60 с Управление: Непрерывный контроль Электрическое подключение: соединительная коробка электромагнитного клапана со стандартным штекером. Код товара: 84818059 Страна происхождения: DE 86060265, RVS 50/KF05W60E-6 Type: Control valve with solenoid valve For controlling continuously regulated burner processes, linear ratio between input signal and flow rate, control ratio 100:1, for gas and air, EU certified Nominal diameter: DN 50 Valve seat: K Pipe connection: Flange to ISO 7005 Inlet pressure: pu max. 500 mbar Mains voltage: 230 V~, 50/60 Hz Running time: 60 s Control: Continuous control Electrical connection: Solenoid valve connection box with standard plug Commodity code: 84818059 Country of origin: DE
Технические характеристики

Производитель: Kromschröder
Артикул: 86060265