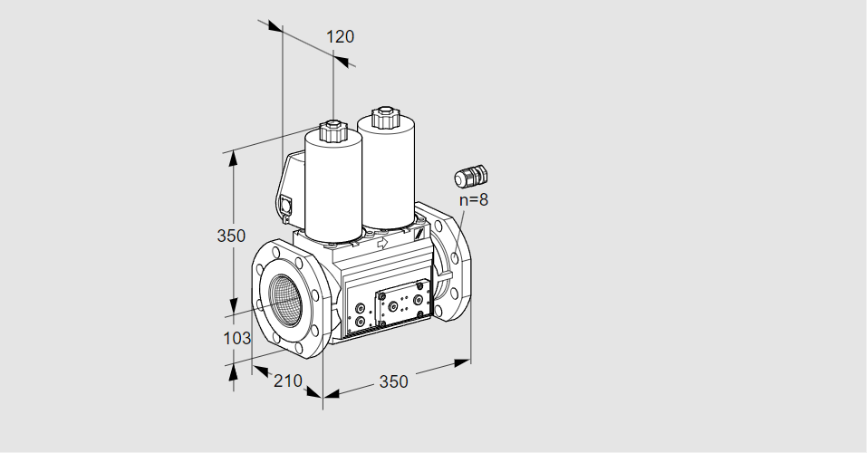
Клапан эл.магнитный сдвоенный VCS 8100F05NNKL3E/PPPP/PPPP
                Стоимость товара
            
            
                966115 руб.
            
        Описание товара
                        88207857, ВКС 8100F05NNKL3E/ПППП/ПППП
Тип: Двойной электромагнитный клапан
Для автоматического отключения, закрывается при отсутствии напряжения, для природного газа, сжиженного нефтяного газа и воздуха, класс A по EN 161, с синей контрольной лампой, IP 65, одобрен FM, сертифицирован ЕС.
Размер: 8
Номинальный диаметр: Ду 100
Трубное соединение: Фланец по ISO 7005.
Давление на входе: pu макс. 500 мбар
Свойства открытия, 1-й клапан: Быстрое открытие, быстрое закрытие.
Свойства открытия, 2-й клапан: Быстрое открытие, быстрое закрытие.
Напряжение сети: 24 В=
Сторона просмотра: Левая
Электрическое подключение: кабельный ввод M20.
Боковая обработка: подготовлено для переходных пластин.
Принадлежности, правый, вход: Резьбовая заглушка
Принадлежности справа, промежуточное пространство 1: Резьбовая заглушка
Принадлежности справа, пространство 2: Резьбовая заглушка
Аксессуары справа, выход: Резьбовая заглушка
Принадлежности, левый, вход: Резьбовая заглушка
Принадлежности слева, пространство 1: Резьбовая заглушка
Принадлежности слева, пространство 2: Резьбовая заглушка
Аксессуары, слева, розетка: Резьбовая заглушка
Код товара: 84814090
Страна происхождения: DE
88207857, VCS 8100F05NNKL3E/PPPP/PPPP
Type: Double solenoid valve
For automatic shut-off, closed when de-energized, for natural gas, LPG and air, Class A to EN 161, with blue pilot lamp, IP 65, FM approved, EU certified
Size: 8
Nominal diameter: DN 100
Pipe connection: Flange to ISO 7005
Inlet pressure: pu max. 500 mbar
Opening properties, 1st valve: Quick opening, quick closing
Opening properties, 2nd valve: Quick opening, quick closing
Mains voltage: 24 V=
Viewing side: Left
Electrical connection: M20 cable gland
Lateral machining: Prepared for adapter plates
Accessories, right, inlet: Screw plug
Accessories, right, interspace 1: Screw plug
Accessories, right, interspace 2: Screw plug
Accessories, right, outle: Screw plug
Accessories, left, inlet: Screw plug
Accessories, left, interspace 1: Screw plug
Accessories, left, interspace 2: Screw plug
Accessories, left, outlet: Screw plug
Commodity code: 84814090
Country of origin: DE
                    
                Технические характеристики
Производитель: Kromschröder
Артикул: 88207857
 
        