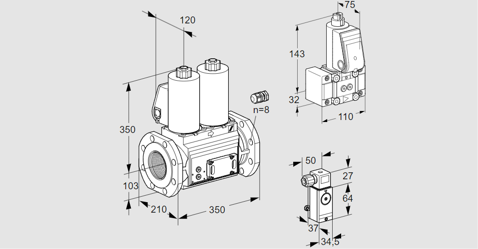
Клапан эл.магнитный сдвоенный VCS 8100F05NNWL3E/P3B-/3-PP
                Стоимость товара
            
            
                1074009 руб.
            
        Описание товара
                        88204861, ВКС 8100F05NNWL3E/P3B-/3-PP
Тип: Двойной электромагнитный клапан
Для автоматического отключения, закрывается при отсутствии напряжения, для природного газа, сжиженного нефтяного газа и воздуха, класс A по EN 161, с синей контрольной лампой, IP 65, одобрен FM, сертифицирован ЕС.
Размер: 8
Номинальный диаметр: Ду 100
Трубное соединение: Фланец по ISO 7005.
Давление на входе: pu макс. 500 мбар
Свойства открытия, 1-й клапан: Быстрое открытие, быстрое закрытие.
Свойства открытия, 2-й клапан: Быстрое открытие, быстрое закрытие.
Напряжение сети: 230 В~, 50/60 Гц
Сторона просмотра: Левая
Электрическое подключение: кабельный ввод M20.
Боковая обработка: подготовлено для переходных пластин.
Принадлежности, правый, вход: Резьбовая заглушка
Аксессуары справа, пространство 1: Реле давления DG 110VC
Принадлежности справа, промежуточное пространство 2: Перепускной клапан VAS 1
Аксессуары, правый, выход: Нет
Аксессуары слева, вход: Реле давления DG 110VC
Принадлежности слева, интервал 1: нет
Принадлежности слева, пространство 2: Резьбовая заглушка
Аксессуары, слева, розетка: Резьбовая заглушка
Код товара: 84814090
Страна происхождения: DE
88204861, VCS 8100F05NNWL3E/P3B-/3-PP
Type: Double solenoid valve
For automatic shut-off, closed when de-energized, for natural gas, LPG and air, Class A to EN 161, with blue pilot lamp, IP 65, FM approved, EU certified
Size: 8
Nominal diameter: DN 100
Pipe connection: Flange to ISO 7005
Inlet pressure: pu max. 500 mbar
Opening properties, 1st valve: Quick opening, quick closing
Opening properties, 2nd valve: Quick opening, quick closing
Mains voltage: 230 V~, 50/60 Hz
Viewing side: Left
Electrical connection: M20 cable gland
Lateral machining: Prepared for adapter plates
Accessories, right, inlet: Screw plug
Accessories, right, interspace 1: Pressure switch DG 110VC
Accessories, right, interspace 2: Bypass valve VAS 1
Accessories, right, outle: None
Accessories, left, inlet: Pressure switch DG 110VC
Accessories, left, interspace 1: None
Accessories, left, interspace 2: Screw plug
Accessories, left, outlet: Screw plug
Commodity code: 84814090
Country of origin: DE
                    
                Технические характеристики
Производитель: Kromschröder
Артикул: 88204861
 
        