Регулятор давления с двумя эл.магнитными клапанами VCD 1E25R/25R05ND-25WR3/PPPP/PPBS
                Стоимость товара
            
            
                195179 руб.
            
        Описание товара
                        88103230, ВКД 1Э25Р/25Р05НД-25ВР3/ПППП/ППБС
Тип: Регулятор давления с двумя электромагнитными клапанами
Для газа, воздуха и метана биологического происхождения, с контрольной лампой, IP 65, полностью собран и проверен на герметичность.
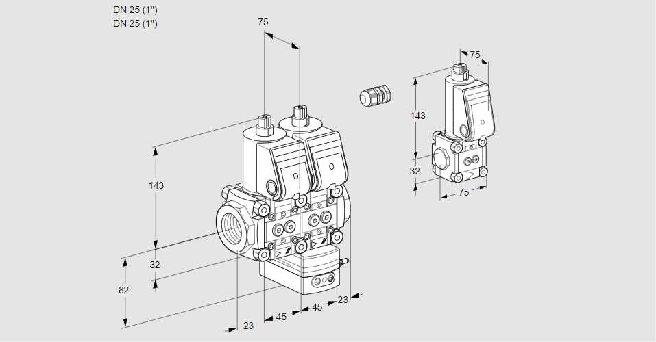
Размер: 1
Сертификация: Сертифицирован ЕС
Вход: Ду 25 (1 дюйм)
Соединение впускной трубы: внутренняя резьба Rp.
Выход: Ду 25 (1 дюйм)
Соединение выпускной трубы: внутренняя резьба Rp.
Давление на входе: pu макс. 500 мбар (7 фунтов на квадратный дюйм, ман.)
Модуль 1: 1-й клапан быстрого открытия, быстрого закрытия.
Модуль 2: 2-й клапан с регулятором давления, давление на выходе: 2,5-25 мбар.
Напряжение сети: 230 В~, 50/60 Гц
Поток: слева направо
Соединительные коробки: электрически подключены
Электрическое подключение 2-го клапана: кабельный ввод M20.
Материал соединения: Встроенное
Принадлежности для первого клапана со стороны обзора: 2 резьбовые заглушки.
Принадлежности для второго клапана со стороны обзора: 2 резьбовые заглушки.
Принадлежности для первого клапана на задней стороне: 2 резьбовые заглушки.
Аксессуары для 2-го клапана на задней стороне: Перепускной клапан VAS 1.
Байпасное отверстие: 10 мм
Перепускной клапан: глухой фланец на выходе
Состоящий из:
88002470
88030954
88019453
Код товара: 84814090
Страна происхождения: DE
88103230, VCD 1E25R/25R05ND-25WR3/PPPP/PPBS
Type: Pressure regulator with two solenoid valves
For gas, air and biologically produced methane, with pilot lamp, IP 65, completely assembled and checked for tightness
Size: 1
Certification: EU certified
Inlet: DN 25 (1'')
Inlet pipe connection: Rp internal thread
Outlet: DN 25 (1'')
Outlet pipe connection: Rp internal thread
Inlet pressure: pu max. 500 mbar (7 psig)
Module 1: 1st valve quick opening, quick closing
Module 2: 2nd valve with pressure regulator, outlet pressure: 2.5-25 mbar
Mains voltage: 230 V~, 50/60 Hz
Flow: From left to right
Connection boxes: Electrically connected
Electrical connection of 2nd valve: M20 cable gland
Connection material: FItted
1st valve accessories on viewing side: 2 screw plugs
2nd valve accessories on viewing side: 2 screw plugs
1st valve accessories on rear side: 2 screw plugs
2nd valve accessories on rear side: Bypass valve VAS 1
Bypass orifice: 10 mm
Bypass valve: Blind flange at outlet
Consisting of:
88002470
88030954
88019453
Commodity code: 84814090
Country of origin: DE
                    
                Технические характеристики
Производитель: Kromschröder
Артикул: 88103230
 
        