Регулятор расхода с двумя эл.магнитными клапанами VCH 1E15R/15R05NHEVWR3/PPPP/PPBS

Стоимость товара
328376 руб.
Описание товара
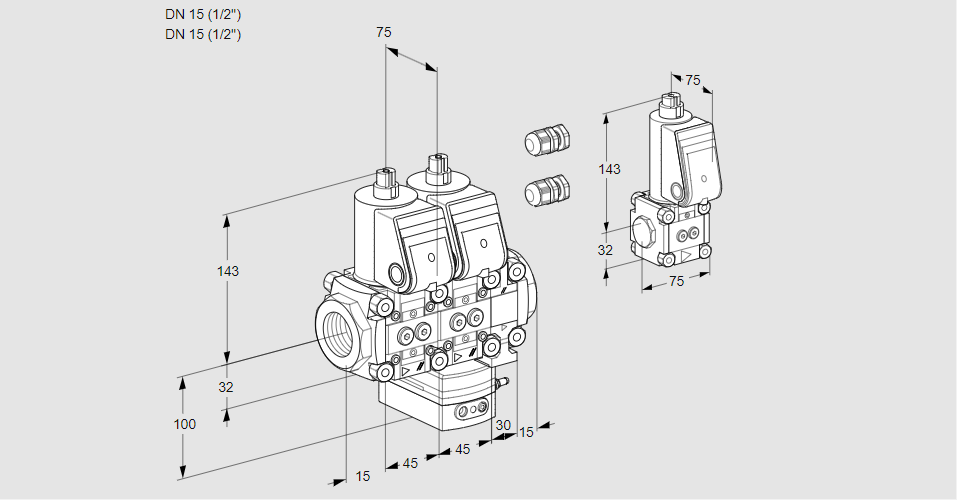
88108134, ВЧ 1E15R/15R05NHEVWR3/ПППП/ППБС Тип: Регулятор расхода с двумя электромагнитными клапанами Для газа, воздуха и метана биологического происхождения, с контрольной лампой, IP 65, полностью собран и проверен на герметичность. Размер: 1 Сертификация: Сертифицирован ЕС Вход: Ду 15 (1/2 дюйма) Соединение впускной трубы: внутренняя резьба Rp. Выход: Ду 15 (1/2 дюйма) Соединение выпускной трубы: внутренняя резьба Rp. Давление на входе: pu макс. 500 мбар (7 фунтов на квадратный дюйм, ман.) Модуль 1: 1-й клапан быстрого открытия, быстрого закрытия. Модуль 2: 2-й клапан с регулятором расхода, подключение для управления давлением воздуха: компрессионный фитинг. Модуль 3: Клапан точной регулировки Напряжение сети: 230 В~, 50/60 Гц Поток: слева направо Электрическое подключение: кабельный ввод M20. Электрическое подключение 2-го клапана: кабельный ввод M20. Материал подключения: Закрытый Принадлежности для первого клапана со стороны обзора: 2 резьбовые заглушки. Принадлежности для второго клапана со стороны обзора: 2 резьбовые заглушки. Принадлежности для первого клапана на задней стороне: 2 резьбовые заглушки. Аксессуары для 2-го клапана на задней стороне: Перепускной клапан VAS 1. Байпасное отверстие: 3 мм Перепускной клапан: глухой фланец на выходе Состоящий из: 88000097 88035013 88020709 88031063 Код товара: 84814090 Страна происхождения: DE 88108134, VCH 1E15R/15R05NHEVWR3/PPPP/PPBS Type: Flow rate regulator with two solenoid valves For gas, air and biologically produced methane, with pilot lamp, IP 65, completely assembled and checked for tightness Size: 1 Certification: EU certified Inlet: DN 15 (1/2'') Inlet pipe connection: Rp internal thread Outlet: DN 15 (1/2'') Outlet pipe connection: Rp internal thread Inlet pressure: pu max. 500 mbar (7 psig) Module 1: 1st valve quick opening, quick closing Module 2: 2nd valve with flow rate regulator, connection for air control pressure: compression fitting Module 3: Fine-adjusting valve Mains voltage: 230 V~, 50/60 Hz Flow: From left to right Electrical connection: M20 cable gland Electrical connection of 2nd valve: M20 cable gland Connection material: Enclosed 1st valve accessories on viewing side: 2 screw plugs 2nd valve accessories on viewing side: 2 screw plugs 1st valve accessories on rear side: 2 screw plugs 2nd valve accessories on rear side: Bypass valve VAS 1 Bypass orifice: 3 mm Bypass valve: Blind flange at outlet Consisting of: 88000097 88035013 88020709 88031063 Commodity code: 84814090 Country of origin: DE
Технические характеристики

Производитель: Kromschröder
Артикул: 88108134