Регулятор расхода с двумя эл.магнитными клапанами VCH 1E25R/25R05NHEVWR3/PPPP/PPZS
                Стоимость товара
            
            
                318091 руб.
            
        Описание товара
                        88103565, ВЧ 1E25R/25R05NHEVWR3/ПППП/ППЗС
Тип: Регулятор расхода с двумя электромагнитными клапанами
Для газа, воздуха и метана биологического происхождения, с контрольной лампой, IP 65, полностью собран и проверен на герметичность.
Размер: 1
Сертификация: Сертифицирован ЕС
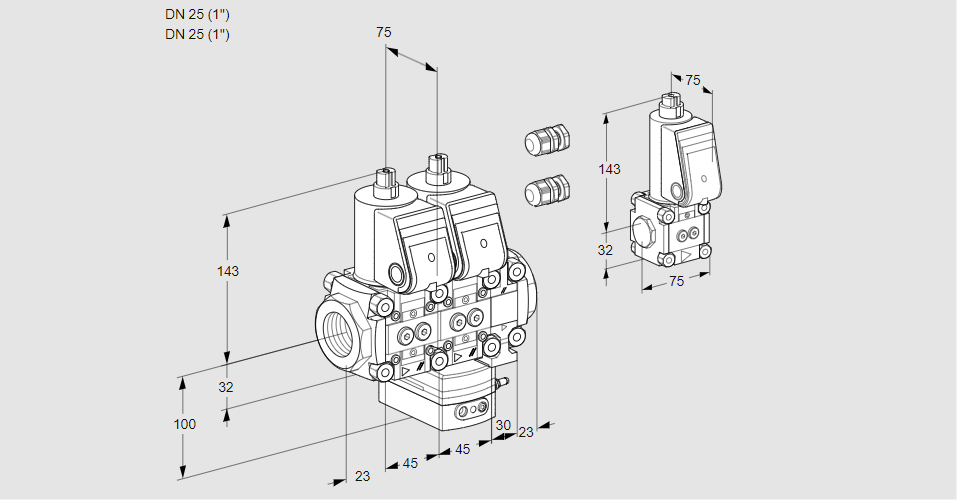
Вход: Ду 25 (1 дюйм)
Соединение впускной трубы: внутренняя резьба Rp.
Выход: Ду 25 (1 дюйм)
Соединение выпускной трубы: внутренняя резьба Rp.
Давление на входе: pu макс. 500 мбар (7 фунтов на квадратный дюйм, ман.)
Модуль 1: 1-й клапан быстрого открытия, быстрого закрытия.
Модуль 2: 2-й клапан с регулятором расхода, подключение для управления давлением воздуха: компрессионный фитинг.
Модуль 3: Клапан точной регулировки
Напряжение сети: 230 В~, 50/60 Гц
Поток: слева направо
Электрическое подключение: кабельный ввод M20.
Электрическое подключение 2-го клапана: кабельный ввод M20.
Материал подключения: Закрытый
Принадлежности для первого клапана со стороны обзора: 2 резьбовые заглушки.
Принадлежности для второго клапана со стороны обзора: 2 резьбовые заглушки.
Принадлежности для первого клапана на задней стороне: 2 резьбовые заглушки.
Аксессуары для второго клапана сзади: Пилотный газовый клапан VAS 1.
Байпасное отверстие: 4 мм
Байпасный клапан: выходной фланец DN 10
Трубное соединение перепускного клапана: внутренняя резьба Rp.
Состоящий из:
88000107
88031205
88013307
88031206
Код товара: 84814090
Страна происхождения: DE
88103565, VCH 1E25R/25R05NHEVWR3/PPPP/PPZS
Type: Flow rate regulator with two solenoid valves
For gas, air and biologically produced methane, with pilot lamp, IP 65, completely assembled and checked for tightness
Size: 1
Certification: EU certified
Inlet: DN 25 (1'')
Inlet pipe connection: Rp internal thread
Outlet: DN 25 (1'')
Outlet pipe connection: Rp internal thread
Inlet pressure: pu max. 500 mbar (7 psig)
Module 1: 1st valve quick opening, quick closing
Module 2: 2nd valve with flow rate regulator, connection for air control pressure: compression fitting
Module 3: Fine-adjusting valve
Mains voltage: 230 V~, 50/60 Hz
Flow: From left to right
Electrical connection: M20 cable gland
Electrical connection of 2nd valve: M20 cable gland
Connection material: Enclosed
1st valve accessories on viewing side: 2 screw plugs
2nd valve accessories on viewing side: 2 screw plugs
1st valve accessories on rear side: 2 screw plugs
2nd valve accessories on rear side: Pilot gas valve VAS 1
Bypass orifice: 4 mm
Bypass valve: DN 10 outlet flange
Bypass valve pipe connection: Rp internal thread
Consisting of:
88000107
88031205
88013307
88031206
Commodity code: 84814090
Country of origin: DE
                    
                Технические характеристики
Производитель: Kromschröder
Артикул: 88103565
 
        