Регулятор расхода с двумя эл.магнитными клапанами VCH 3E50R/50R05FNHEWR3/2-PP/4-ZS

Стоимость товара
517104 руб.
Описание товара
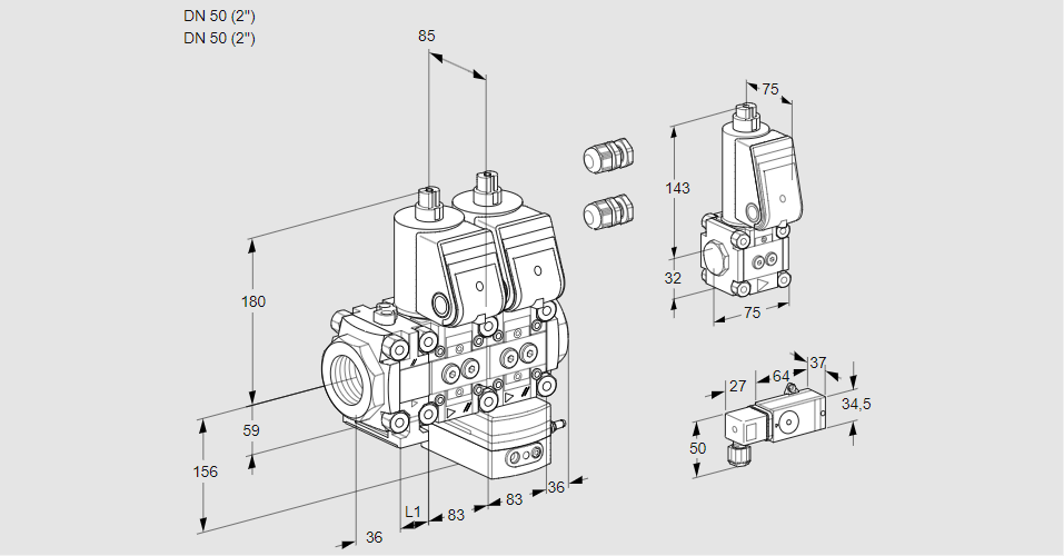
88106590, ВЧ 3E50R/50R05FNHEWR3/2-ПП/4-ЗС Тип: Регулятор расхода с двумя электромагнитными клапанами Для газа, воздуха и метана биологического происхождения, с контрольной лампой, IP 65, полностью собран и проверен на герметичность. 3 Размер Сертификация: Сертифицирован ЕС Вход: Ду 50 (2 дюйма) Соединение впускной трубы: внутренняя резьба Rp. Выход: Ду 50 (2 дюйма) Соединение выпускной трубы: внутренняя резьба Rp. Давление на входе: pu макс. 500 мбар (7 фунтов на квадратный дюйм, ман.) Модуль 0: Модуль фильтра Модуль 1: 1-й клапан быстрого открытия, быстрого закрытия. Модуль 2: 2-й клапан с регулятором расхода, подключение для управления давлением воздуха: компрессионный фитинг. Напряжение сети: 230 В~, 50/60 Гц Поток: слева направо Электрическое подключение: кабельный ввод M20. Электрическое подключение 2-го клапана: кабельный ввод M20. Материал соединения: Встроенное Принадлежности для первого клапана со стороны обзора: Реле давления DG 40VC. Точка проверки реле давления на 1-й стороне обзора клапана: Входное давление Тип реле давления на 1-й стороне обзора клапана: Реле давления с золотыми контактами на 12–250 В. Принадлежности для второго клапана со стороны обзора: 2 резьбовые заглушки. Принадлежности для первого клапана на задней стороне: Реле давления DG 300VC. Точка проверки реле давления на задней стороне 1-го клапана: Входное давление Тип реле давления на задней стороне 1-го клапана: Реле давления с золотыми контактами на 12–250 В. Аксессуары для второго клапана сзади: Пилотный газовый клапан VAS 1. Байпасное отверстие: 10 мм Байпасный клапан: выходной фланец DN 15 Трубное соединение перепускного клапана: внутренняя резьба Rp. Состоящий из: 88033356 88033631 88033632 88006048 Код товара: 84814090 Страна происхождения: DE 88106590, VCH 3E50R/50R05FNHEWR3/2-PP/4-ZS Type: Flow rate regulator with two solenoid valves For gas, air and biologically produced methane, with pilot lamp, IP 65, completely assembled and checked for tightness Size: 3 Certification: EU certified Inlet: DN 50 (2'') Inlet pipe connection: Rp internal thread Outlet: DN 50 (2'') Outlet pipe connection: Rp internal thread Inlet pressure: pu max. 500 mbar (7 psig) Module 0: Filter module Module 1: 1st valve quick opening, quick closing Module 2: 2nd valve with flow rate regulator, connection for air control pressure: compression fitting Mains voltage: 230 V~, 50/60 Hz Flow: From left to right Electrical connection: M20 cable gland Electrical connection of 2nd valve: M20 cable gland Connection material: FItted 1st valve accessories on viewing side: Pressure switch DG 40VC Test point for pressure switch on 1st valve viewing side: Inlet pressure Type of pressure switch on 1st valve viewing side: Pressure switch with gold contacts for 12 – 250 V 2nd valve accessories on viewing side: 2 screw plugs 1st valve accessories on rear side: Pressure switch DG 300VC Test point for pressure switch on 1st valve rear side: Inlet pressure Type of pressure switch on 1st valve rear side: Pressure switch with gold contacts for 12 – 250 V 2nd valve accessories on rear side: Pilot gas valve VAS 1 Bypass orifice: 10 mm Bypass valve: DN 15 outlet flange Bypass valve pipe connection: Rp internal thread Consisting of: 88033356 88033631 88033632 88006048 Commodity code: 84814090 Country of origin: DE
Технические характеристики

Производитель: Kromschröder
Артикул: 88106590