Регулятор соотношения газ/воздух с двумя эл.магнитными клапанами VCG 1E20R/15R05NGEWR/PPPP/PPZS

Стоимость товара
194324 руб.
Описание товара
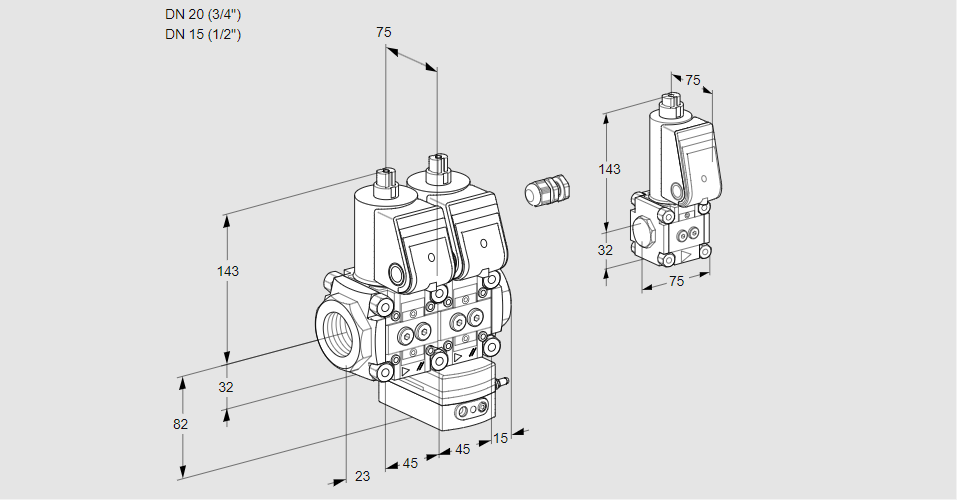
88107996, ВКГ 1Е20Р/15Р05НГЭВР/ПППП/ППЗС Тип: Регулятор соотношения воздух/газ с двумя электромагнитными клапанами Для газа, воздуха и метана биологического происхождения, с контрольной лампой, IP 65, полностью собран и проверен на герметичность. Размер: 1 Сертификация: Сертифицирован ЕС Вход: Ду 20 (3/4 дюйма) Соединение впускной трубы: внутренняя резьба Rp. Выход: Ду 15 (1/2 дюйма) Соединение выпускной трубы: внутренняя резьба Rp. Давление на входе: pu макс. 500 мбар (7 фунтов на квадратный дюйм, ман.) Модуль 1: 1-й клапан быстрого открытия, быстрого закрытия. Модуль 2: 2-й клапан с регулировкой соотношения воздух/газ, подключение для управления давлением воздуха: компрессионный фитинг Напряжение сети: 230 В~, 50/60 Гц Поток: слева направо Соединительные коробки: электрически подключены Электрическое подключение: кабельный ввод M20. Материал соединения: Встроенное Принадлежности для первого клапана со стороны обзора: 2 резьбовые заглушки. Принадлежности для второго клапана со стороны обзора: 2 резьбовые заглушки. Принадлежности для первого клапана на задней стороне: 2 резьбовые заглушки. Аксессуары для второго клапана сзади: Пилотный газовый клапан VAS 1. Байпасное отверстие: 5 мм Байпасный клапан: выходной фланец DN 10 Трубное соединение перепускного клапана: внутренняя резьба Rp. Состоящий из: 88000865 88019619 88034894 Код товара: 84814090 Страна происхождения: DE 88107996, VCG 1E20R/15R05NGEWR/PPPP/PPZS Type: Air/gas ratio control with two solenoid valves For gas, air and biologically produced methane, with pilot lamp, IP 65, completely assembled and checked for tightness Size: 1 Certification: EU certified Inlet: DN 20 (3/4'') Inlet pipe connection: Rp internal thread Outlet: DN 15 (1/2'') Outlet pipe connection: Rp internal thread Inlet pressure: pu max. 500 mbar (7 psig) Module 1: 1st valve quick opening, quick closing Module 2: 2nd valve with air/gas ratio control, connection for air control pressure: compression fitting Mains voltage: 230 V~, 50/60 Hz Flow: From left to right Connection boxes: Electrically connected Electrical connection: M20 cable gland Connection material: FItted 1st valve accessories on viewing side: 2 screw plugs 2nd valve accessories on viewing side: 2 screw plugs 1st valve accessories on rear side: 2 screw plugs 2nd valve accessories on rear side: Pilot gas valve VAS 1 Bypass orifice: 5 mm Bypass valve: DN 10 outlet flange Bypass valve pipe connection: Rp internal thread Consisting of: 88000865 88019619 88034894 Commodity code: 84814090 Country of origin: DE
Технические характеристики

Производитель: Kromschröder
Артикул: 88107996