Регулятор соотношения газ/воздух с двумя эл.магнитными клапанами VCG 3T50N/50N05NGAQR/PPPP/PPBS

Стоимость товара
334130 руб.
Описание товара
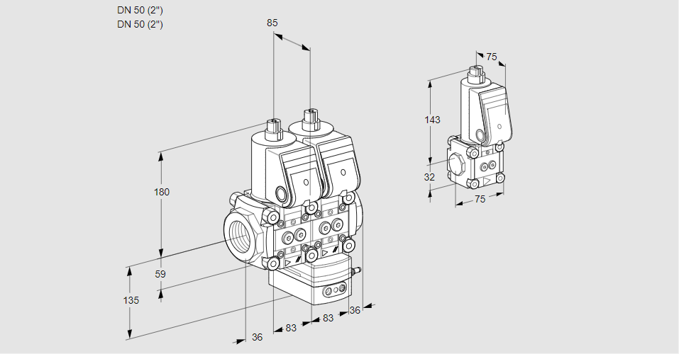
88106868, ВКГ 3Т50Н/50Н05НГАКР/ПППП/ППБС Тип: Регулятор соотношения воздух/газ с двумя электромагнитными клапанами Для газа, воздуха и метана биологического происхождения, с контрольной лампой, IP 65, полностью собран и проверен на герметичность. 3 Размер Сертификация: Т-продукт Вход: Ду 50 (2 дюйма) Соединение впускной трубы: внутренняя резьба NPT Выход: Ду 50 (2 дюйма) Соединение выпускной трубы: внутренняя резьба NPT. Давление на входе: pu макс. 500 мбар (7 фунтов на квадратный дюйм, ман.) Модуль 1: 1-й клапан быстрого открытия, быстрого закрытия. Модуль 2: 2-й клапан с регулировкой соотношения воздух/газ, комплект подключения для регулирования давления воздуха psa: 1 переходник NPT 1/4, 2 точки измерения давления pd и psa Напряжение сети: 120 В~, 50/60 Гц Поток: слева направо Соединительные коробки: электрически подключены Принадлежности для первого клапана со стороны обзора: 2 резьбовые заглушки. Принадлежности для второго клапана со стороны обзора: 2 резьбовые заглушки. Принадлежности для первого клапана на задней стороне: 2 резьбовые заглушки. Аксессуары для 2-го клапана на задней стороне: Перепускной клапан VAS 1. Байпасное отверстие: 10 мм Перепускной клапан: глухой фланец на выходе Состоящий из: 88033890 88033891 88017244 Код товара: 84814090 Страна происхождения: DE 88106868, VCG 3T50N/50N05NGAQR/PPPP/PPBS Type: Air/gas ratio control with two solenoid valves For gas, air and biologically produced methane, with pilot lamp, IP 65, completely assembled and checked for tightness Size: 3 Certification: T-product Inlet: DN 50 (2'') Inlet pipe connection: NPT internal thread Outlet: DN 50 (2'') Outlet pipe connection: NPT internal thread Inlet pressure: pu max. 500 mbar (7 psig) Module 1: 1st valve quick opening, quick closing Module 2: 2nd valve with air/gas ratio control, connection kit for air control pressure psa: 1 NPT 1/4 adapter, 2 pressure test points pd and psa Mains voltage: 120 V~, 50/60 Hz Flow: From left to right Connection boxes: Electrically connected 1st valve accessories on viewing side: 2 screw plugs 2nd valve accessories on viewing side: 2 screw plugs 1st valve accessories on rear side: 2 screw plugs 2nd valve accessories on rear side: Bypass valve VAS 1 Bypass orifice: 10 mm Bypass valve: Blind flange at outlet Consisting of: 88033890 88033891 88017244 Commodity code: 84814090 Country of origin: DE
Технические характеристики

Производитель: Kromschröder
Артикул: 88106868