ГАЗПРИБОР
Оборудование для инженерных сетей
0
0
0
Корзина заказа
+7 812 313-63-03 Заказать звонок
  • Меню
  • Каталог
  • Производители
  • О компании
    • Новости
  • Услуги
  • Как купить
    • Условия оплаты
    • Условия доставки
    • Гарантия на товар
  • Контакты
  • База знаний
    • Статьи
    • Опросные листы
    • Каталоги производителей
    • Каталог
      • Регуляторы давления газа
      • Дополнительное оборудование для подключения приборов КИПиА
      • Kromschröder
      • Комплектующие
      • Распродажа
      • Трубопроводная арматура
      • Фильтры
      • Трубы
      • Горелки RIELLO
      • Насосы и компрессоры corken
      • Продукция GEMÜ
    • Производители
    • О компании
      • Новости
    • Услуги
    • Как купить
      • Условия оплаты
      • Условия доставки
      • Гарантия на товар
    • Контакты
    • База знаний
      • Статьи
      • Опросные листы
      • Каталоги производителей
    • Регуляторы давления газа
      • Бытовые регуляторы Бытовые регуляторы
        • Бытовые регуляторы Fiorentini
        • Регулятор FRG-2MB Компакт-2
        • Регулятор RG-2MB МИНИ
        • Регулятор FRG-2MB Компакт
        • Регулятор RG-2MB Компакт
        • Регулятор FRG-2MB Стандарт
        • Регулятор RG-2MCS
        • Регулятор FRG-2MB - RG-2MB
      • Пружинные регуляторы Пружинные регуляторы
        • Регулятор Dival 600
        • Регулятор Dival 500
        • Регулятор Dival 512
        • Регулятор Norval
        • Регулятор серии R
        • Регулятор серии A
        • Регулятор серии B
        • Регулятор серии RP
        • Регулятор R50
        • Регулятор R51
        • Регулятор R100
        • Регулятор R101
        • Регулятор RS250
        • Регулятор RS251
        • Регулятор RS254
        • Регулятор RS255
        • Регулятор R100 U
        • Регулятор R101 U
        • Регулятор R105
        • Регулятор MN
        • Регулятор MBN
        • Регулятор MBN-M
        • Регулятор MF
        • Регулятор MBF
        • Регулятор MBF-M
        • Регулятор Dival 507
        • Регулятор серии HP100
        • Регулятор RG-2MB
        • Регулятор RG-2MB (RG6)
        • Регулятор RG-2MCS
        • Регулятор FRG-2MB - RG-2MB
        • Регуляторы давления газа MR
      • Пилотные регуляторы Пилотные регуляторы
        • Регулятор Aperval
        • Регулятор RSP 254
        • Регулятор RSP 255
        • Регулятор Reval
        • Регулятор FL-BP
        • Регулятор FL
        • Регулятор MFL-BP
        • Регулятор MFL
        • Регулятор BFL-BP
        • Регулятор BFL
    • Дополнительное оборудование для подключения приборов КИПиА
      • Отключающая арматура для КИП Отключающая арматура для КИП
      • Трубки демпферные Трубки демпферные
      • Переходники для КИП Переходники для КИП
      • Бобышки Бобышки
    • Kromschröder
      • Кран шаровой AKT Кран шаровой AKT
      • Клапан термозапорный TAS Клапан термозапорный TAS
      • Компенсатор ECO Компенсатор ECO
      • Фильтр газовый GFK Фильтр газовый GFK
      • Автомат контроля пламени IFW FDU Автомат контроля пламени IFW FDU
      • Автомат управления горелкой IFD Автомат управления горелкой IFD
      • Автомат контроля герметичности TC Автомат контроля герметичности TC
      • Сервопривод IC Сервопривод IC
      • Гибкий шланг ES Гибкий шланг ES
      • Горелка газовая BIC Горелка газовая BIC
      • Автомат управления горелкой BCU 370 Автомат управления горелкой BCU 370
      • Автомат управления горелкой BCU 460 Автомат управления горелкой BCU 460
      • Автомат управления горелкой BCU 465 Автомат управления горелкой BCU 465
      • Автомат управления горелкой BCU 480 Автомат управления горелкой BCU 480
      • Автомат управления горелкой BCU 560 Автомат управления горелкой BCU 560
      • Автомат управления горелкой BCU 565 Автомат управления горелкой BCU 565
      • Автомат управления горелкой BCU 570 Автомат управления горелкой BCU 570
      • Автомат управления горелкой BCU 580 Автомат управления горелкой BCU 580
      • Горелка газовая BIO Горелка газовая BIO
      • Горелка газовая ECOMAX Горелка газовая ECOMAX
      • Горелка газовая ZIC Горелка газовая ZIC
      • Горелка газовая ZIO Горелка газовая ZIO
      • Датчик-реле давления DL Датчик-реле давления DL
      • Заслонка дроссельная BVA Заслонка дроссельная BVA
      • Заслонка дроссельная BVG Заслонка дроссельная BVG
      • Заслонка дроссельная DKR Заслонка дроссельная DKR
      • Керамическая насадка горелки TSC Керамическая насадка горелки TSC
      • Клапан моторный VK Клапан моторный VK
      • Клапан регулирующий RV RVS Клапан регулирующий RV RVS
      • Пилотная горелка ZMI ZMIC ZTI ZKIH Пилотная горелка ZMI ZMIC ZTI ZKIH
      • Устройства многофункциональные Устройства многофункциональные
        • Регулятор давления с двумя эл.магнитными клапанами VCD
        • Регулятор давления с эл.магнитным клапаном VAD
        • Регулятор расхода VRH
        • Регулятор расхода газа с эл.магнитным клапаном VAH
        • Регулятор расхода с двумя эл.магнитными клапанами VCH
        • Регулятор соотношения газ-воздух с двумя эл.магнитными клапанами VCG
        • Регулятор соотношения газ-воздух с двумя эл.магнитными клапанами VCV
        • Регулятор соотношения газ/воздух с эл.магнитным клапаном VAG
        • Регулятор соотношения газ-воздух с эл.магнитным клапаном VAV
      • Клапан эл.магнитный газовый VG Клапан эл.магнитный газовый VG
      • Клапан эл.магнитный газовый VGP Клапан эл.магнитный газовый VGP
      • Счётчик расхода газа DM Счётчик расхода газа DM
      • Счётчик расхода газа c эл.табло DE Счётчик расхода газа c эл.табло DE
      • Регулятор соотношения газ-воздух GIK Регулятор соотношения газ-воздух GIK
      • Регулятор давления газа VGBF Регулятор давления газа VGBF
      • Регулятор давления газа GDJ Регулятор давления газа GDJ
      • Клапан предохранительно-сбросной VSBV Клапан предохранительно-сбросной VSBV
      • Манометр для измерения низкого давления газа KFM Манометр для измерения низкого давления газа KFM
      • Манометр для измерения среднего давления газа RFM Манометр для измерения среднего давления газа RFM
      • Линейный регулятор расхода газа VFC Линейный регулятор расхода газа VFC
      • Клапан эл.магнитный газовый VAS Клапан эл.магнитный газовый VAS
      • Клапан эл.магнитный сдвоенный VCS Клапан эл.магнитный сдвоенный VCS
      • Линейный регулятор расхода газа с сервоприводом IFC Линейный регулятор расхода газа с сервоприводом IFC
      • Клапан эл.магнитный газовый VAA Клапан эл.магнитный газовый VAA
      • Трансформатор запальный TZI Трансформатор запальный TZI
    • Комплектующие
      • Запасные части к оборудованию Pietro Fiorentini
      • Запасные части к оборудованию Tartarini Запасные части к оборудованию Tartarini
      • Комплектующие для клапана МК Комплектующие для клапана МК
    • Распродажа
    • Трубопроводная арматура
      • Клапан Клапан
        • Клапан предохранительно сбросной
        • Электромагнитный клапан
    • Фильтры
      • Фильтр 2bar муфтовый Фильтр 2bar муфтовый
      • Фильтр 2bar фланцевый Фильтр 2bar фланцевый
      • Фильтр 6bar муфтовый Фильтр 6bar муфтовый
      • Фильтр 6bar фланцевый Фильтр 6bar фланцевый
    • Трубы
    • Горелки RIELLO
      • Дизельные со сниженными выбросами оксидов азота серия GULLIVER Дизельные со сниженными выбросами оксидов азота серия GULLIVER
        • Одноступенчатые BGK
        • Двухступенчатые BGD
      • Дизельные Дизельные
        • серия GULLIVER
        • серия RIELLO
        • серия RL
        • серия PRESS
      • Мазутные Мазутные
        • Одноступенчатые RIELLO 40 N
        • Двухступенчатые RN
        • Двухступенчатые PRESS N-ECO
        • Трехступенчатые PRESS TN — TN ECO
        • Модуляционные PRESS PN — PN ECO
        • Модуляционные с распылением воздухом водяным паром PRESS PNA — PNA ECO
      • Газовые со сниженными выбросами оксидов азота Газовые со сниженными выбросами оксидов азота
        • GULLIVER
        • RS
      • Газовые Газовые
        • RIELLO 40
        • GULLIVER
        • RS
        • GAS
      • Двухтопливные со сниженными выбросами оксидов азота Двухтопливные со сниженными выбросами оксидов азота
        • Модуляционные RLS 68÷160 M MX
        • Модуляционные RLS 310÷610 M MX
        • Модуляционные RLS BP MX
        • Модуляционные RLS 500÷1200 M MX
        • Модуляционные RLS 68÷200 E-EVi MX
        • Модуляционные RLS 310÷610 E MX
        • Модуляционные RLS 300÷1200 E-EV MX
      • Двухтопливные Двухтопливные
        • Двухступенчатые серии RLS
        • Модуляционные серии RLS M MZ
        • Модуляционные серии GI EMME 1400÷4500
        • Модуляционные RLS 1300÷2000 E EV C11
        • Модуляционные ENNE EMME
      • ПРОМЫШЛЕННЫЕ ПРОМЫШЛЕННЫЕ
        • Промышленные двухблочные Дизельные, ГАЗОВЫЕ, ДВУХТОПЛИВНЫЕ серии DB
        • Промышленные Дизельные, МАЗУТНЫЕ, ГАЗОВЫЕ, ДВУХТОПЛИВНЫЕ горелки с воздушной заслонкой серии ER
      • Компоненты систем Компоненты систем
        • Регуляторы и редукторы давления
        • Защитные и регулирующие газовые рампы
    • Насосы и компрессоры corken
      • Инженерные насосные системы Инженерные насосные системы
    • Продукция GEMÜ
      • Электромагнитный клапан
      • Промышленные электромагнитные клапаны Промышленные электромагнитные клапаны
      • Пилотные клапаны Пилотные клапаны
      • Поворотные дисковые затворы Поворотные дисковые затворы
    Будьте всегда в курсе!
    Узнавайте о скидках и акциях первым
    Новости
    Все новости
    30 апреля 2025
    Трубы в продаже
    16 апреля 2025
    Трехходовые краны обновление
    14 апреля 2025
    У нас можно заказать продукцию GEMÜ
    Статьи
    Все статьи
    Кран трёхходовой: назначение и применение
    Кран трёхходовой: назначение и применение
    Переходники AQUA для манометра
    Переходники AQUA для манометра
    Шайбы / НЕМЕЦКИЙ СТАНДАРТ DK 621.882.42
    Шайбы / НЕМЕЦКИЙ СТАНДАРТ DK 621.882.42
    Главная
    -
    Каталог
    -
    Kromschröder
    Регуляторы давления газаРаспродажаДополнительное оборудование для подключения приборов КИПиАТрубопроводная арматураФильтрыТрубыНасосы и компрессоры corkenПродукция GEMÜKromschröderГорелки RIELLOКомплектующие
    -
    Горелка газовая ECOMAX
    Кран шаровой AKTКлапан термозапорный TASКомпенсатор ECOФильтр газовый GFKАвтомат контроля пламени IFW FDUАвтомат управления горелкой IFDАвтомат контроля герметичности TCСервопривод ICГибкий шланг ESГорелка газовая BICАвтомат управления горелкой BCU 370Автомат управления горелкой BCU 460Автомат управления горелкой BCU 465Автомат управления горелкой BCU 480Автомат управления горелкой BCU 560Автомат управления горелкой BCU 565Автомат управления горелкой BCU 570Автомат управления горелкой BCU 580Горелка газовая BIOГорелка газовая ZICГорелка газовая ZIOДатчик-реле давления DLЗаслонка дроссельная BVAЗаслонка дроссельная BVGЗаслонка дроссельная DKRКерамическая насадка горелки TSCКлапан моторный VKКлапан регулирующий RV RVSПилотная горелка ZMI ZMIC ZTI ZKIHУстройства многофункциональныеКлапан эл.магнитный газовый VGКлапан эл.магнитный газовый VGPСчётчик расхода газа DMСчётчик расхода газа c эл.табло DEРегулятор соотношения газ-воздух GIKРегулятор давления газа VGBFРегулятор давления газа GDJКлапан предохранительно-сбросной VSBVМанометр для измерения низкого давления газа KFMМанометр для измерения среднего давления газа RFMЛинейный регулятор расхода газа VFCКлапан эл.магнитный газовый VASКлапан эл.магнитный сдвоенный VCSЛинейный регулятор расхода газа с сервоприводом IFCКлапан эл.магнитный газовый VAAТрансформатор запальный TZI
    -ECOMAX 3M545-SG/R-(35)D-

    ECOMAX 3M545-SG/R-(35)D-

    • ECOMAX 3M545-SG/R-(35)D- купить в компании ГАЗПРИБОР
    • ECOMAX 3M545-SG/R-(35)D- купить в компании ГАЗПРИБОР
    Артикул: 21803938
    Kromschröder
    982 053.96 ₽/шт
    Под заказ
    - +
    В корзинуВ корзине
    Купить в 1 клик
    Поделиться

    Цена действительна только для интернет-магазина и может отличаться от цен в розничных магазинах
    • Описание
    • Отзывы
    • Задать вопрос
    • Наличие
    • Дополнительно
    • Описание
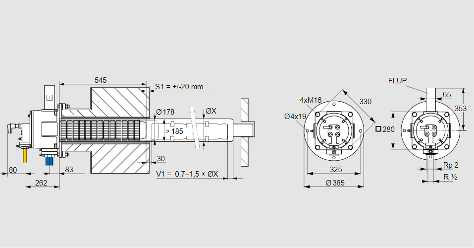
      21803938, ECOMAX 3M545-SG/R-(35)D-

      Тип: Саморекуперативная газовая горелка.
      Для обогрева печных систем
      Размер горелок: 3, номинальная мощность: 100 кВт.
      Рекуператор: С рекуператором из литой стальной ребристой трубы.
      Длина рекуператора: 545 мм
      Использование: При поэтапном сжигании.
      Тип газа: Для сжиженного нефтяного газа
      Тип отопления: Для лучистого трубчатого отопления без эдуктора.
      Идентификатор головки горелки: (35)
      Стадия строительства: D

      Код товара: 84162080000
      Страна происхождения: DE

      21803938, ECOMAX 3M545-SG/R-(35)D-

      Type: Self recuperative burner for gas
      For heating of furnace systems
      Burner size: 3, rated capacity: 100 kW
      Recuperator: With cast steel ribbed tube recuperator
      Recuperator length: 545 mm
      Use: With staged combustion
      Gas type: For LPG
      Type of heating: For radiant tube heating without eductor
      Burner head identifier: (35)
      Construction stage: D

      Commodity code: 84162080000
      Country of origin: DE
    • Отзывы
    • Задать вопрос
      Вы можете задать любой интересующий вас вопрос по товару или работе магазина.

      Наши квалифицированные специалисты обязательно вам помогут.
    • Наличие
      Склад, Склад
      Под заказ
    • Дополнительно

      Дополнительная вкладка, для размещения информации о магазине, доставке или любого другого важного контента. Поможет вам ответить на интересующие покупателя вопросы и развеять его сомнения в покупке. Используйте её по своему усмотрению.

      Вы можете убрать её или вернуть обратно, изменив одну галочку в настройках компонента. Очень удобно.

    • Персональные рекомендации
    2025 © ООО "ГК"ГАЗПРИБОР"
    Компания
    Помощь
    Информация
    • О компании
    • Новости
    • Помощь
    • Условия оплаты
    • Условия доставки
    • Гарантия на товар
    • Статьи
    • Вопрос-ответ
    • Производители
    +7 812 313-63-03 Заказать звонок
    2025 © ООО "ГК"ГАЗПРИБОР"