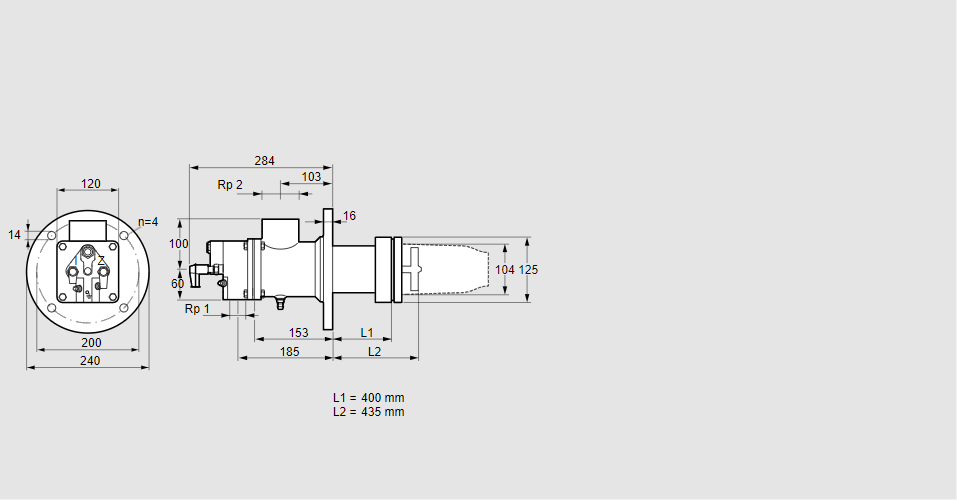
BIC 100HB-400/435-(37)EB

Стоимость товара
510305 руб.
Описание товара
84099751, БИК 100ХБ-400/435-(37)ЭБ Тип: Газовая горелка с подключением для керамической трубки Размер горелки: 100 Использование: Горячий воздух/высокая температура печи. Тип газа: Для природного газа Длина стальной трубы от фланца печи: 400 мм. Расстояние от фланца печи до переднего края головки горелки: 435 мм. Идентификатор головки горелки: 37 Стадия строительства: Е Специальное использование: с отверстиями для продувки воздуха. Код товара: 84162080000 Страна происхождения: DE 84099751, BIC 100HB-400/435-(37)EB Type: Burner for gas, with connection for ceramic tube Burner size: 100 Use: Hot air/high furnace temperature Gas type: For natural gas Length of steel tube as of furnace flange: 400 mm Distance from furnace flange to front edge of burner head: 435 mm Burner head identifier: 37 Construction stage: E Special use: With purging air bore holes Commodity code: 84162080000 Country of origin: DE
Технические характеристики

Производитель: Kromschröder
Артикул: 84099751