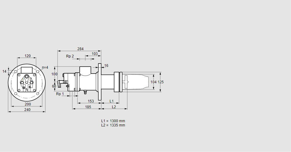
BIC 100HD-1300/1335-(115)F

Стоимость товара
737010 руб.
Описание товара
84199328, БИК 100HD-1300/1335-(115)Ф Тип: Газовая горелка с подключением для керамической трубки Размер горелки: 100 Использование: Горячий воздух/высокая температура печи. Тип газа: Для коксового газа, городского газа Длина стальной трубы до фланца печи: 1300 мм. Расстояние от фланца печи до переднего края головки горелки: 1335 мм. Идентификатор головки горелки: 115 Стадия строительства: F Код товара: 84162080 Страна происхождения: DE 84199328, BIC 100HD-1300/1335-(115)F Type: Burner for gas, with connection for ceramic tube Burner size: 100 Use: Hot air/high furnace temperature Gas type: For coke oven gas, town gas Length of steel tube as of furnace flange: 1300 mm Distance from furnace flange to front edge of burner head: 1335 mm Burner head identifier: 115 Construction stage: F Commodity code: 84162080 Country of origin: DE
Технические характеристики

Производитель: Kromschröder
Артикул: 84199328