BIC 100MB-200/235-(118)E

Стоимость товара
548875 руб.
Описание товара
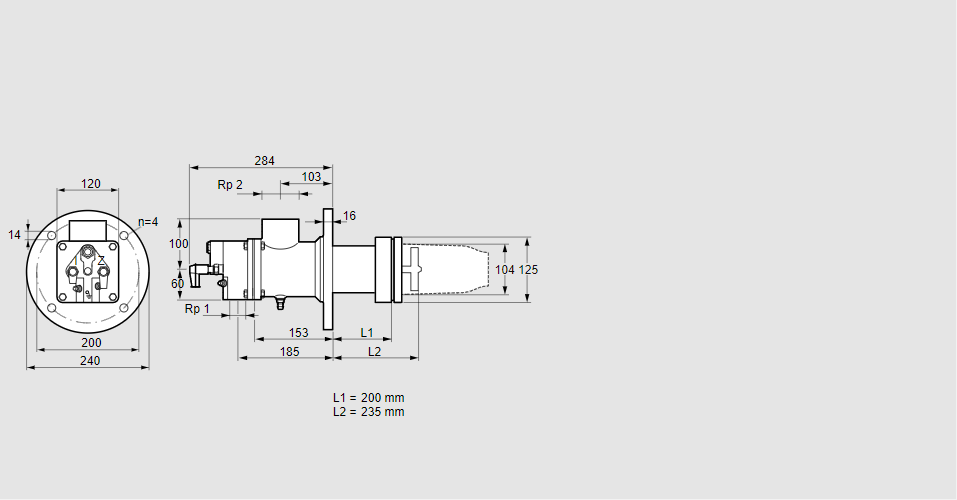
84033630, БИК 100МБ-200/235-(118)Э Тип: Газовая горелка с подключением для керамической трубки Размер горелки: 100 Использование: Для работы Menox с низким уровнем выбросов NOx. Тип газа: Для природного газа Длина стальной трубы от фланца печи: 200 мм. Расстояние от фланца печи до переднего края головки горелки: 235 мм. Идентификатор головки горелки: 118 Стадия строительства: Е Код товара: 84162080000 Страна происхождения: DE 84033630, BIC 100MB-200/235-(118)E Type: Burner for gas, with connection for ceramic tube Burner size: 100 Use: For menox low NOx operation Gas type: For natural gas Length of steel tube as of furnace flange: 200 mm Distance from furnace flange to front edge of burner head: 235 mm Burner head identifier: 118 Construction stage: E Commodity code: 84162080000 Country of origin: DE
Технические характеристики

Производитель: Kromschröder
Артикул: 84033630