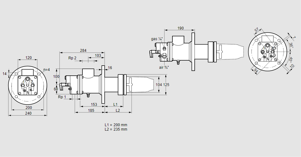
BIC 100RBL-200/235-(111)E

Стоимость товара
496984 руб.
Описание товара
84033330, БИК 100РБЛ-200/235-(111)Э Тип: Газовая горелка с подключением для керамической трубки Размер горелки: 100 Использование: Холодный воздух Тип газа: Для природного газа Вариант: Факел Длина стальной трубы от фланца печи: 200 мм. Расстояние от фланца печи до переднего края головки горелки: 235 мм. Идентификатор головки горелки: 111 Стадия строительства: Е Код товара: 84162080 Страна происхождения: DE 84033330, BIC 100RBL-200/235-(111)E Type: Burner for gas, with connection for ceramic tube Burner size: 100 Use: Cold air Gas type: For natural gas Variant: Torch Length of steel tube as of furnace flange: 200 mm Distance from furnace flange to front edge of burner head: 235 mm Burner head identifier: 111 Construction stage: E Commodity code: 84162080 Country of origin: DE
Технические характеристики

Производитель: Kromschröder
Артикул: 84033330