BIC 125HB-500/535-(2)E

Стоимость товара
712124 руб.
Описание товара
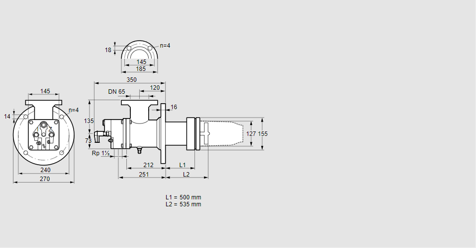
84034060, БИК 125ХБ-500/535-(2)Э Тип: Газовая горелка с подключением для керамической трубки Размер горелки: 125 Использование: Горячий воздух/высокая температура печи. Тип газа: Для природного газа Длина стальной трубы от фланца печи: 500 мм. Расстояние от фланца печи до переднего края головки горелки: 535 мм. Идентификатор головки горелки: 2 Стадия строительства: Е Код товара: 84162080 Страна происхождения: DE 84034060, BIC 125HB-500/535-(2)E Type: Burner for gas, with connection for ceramic tube Burner size: 125 Use: Hot air/high furnace temperature Gas type: For natural gas Length of steel tube as of furnace flange: 500 mm Distance from furnace flange to front edge of burner head: 535 mm Burner head identifier: 2 Construction stage: E Commodity code: 84162080 Country of origin: DE
Технические характеристики

Производитель: Kromschröder
Артикул: 84034060