BIC 125HB-600/635-(2)EB

Описание товара
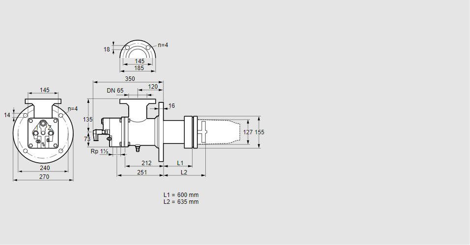
84199167, БИК 125ХБ-600/635-(2)ЭБ Тип: Газовая горелка с подключением для керамической трубки Размер горелки: 125 Использование: Горячий воздух/высокая температура печи. Тип газа: Для природного газа Длина стальной трубы от фланца печи: 600 мм. Расстояние от фланца печи до переднего края головки горелки: 635 мм. Идентификатор головки горелки: 2 Стадия строительства: Е Специальное использование: с отверстиями для продувки воздуха. Код товара: 84162080 Страна происхождения: DE 84199167, BIC 125HB-600/635-(2)EB Type: Burner for gas, with connection for ceramic tube Burner size: 125 Use: Hot air/high furnace temperature Gas type: For natural gas Length of steel tube as of furnace flange: 600 mm Distance from furnace flange to front edge of burner head: 635 mm Burner head identifier: 2 Construction stage: E Special use: With purging air bore holes Commodity code: 84162080 Country of origin: DE
Технические характеристики

Производитель: Kromschröder
Артикул: 84199167