BIC 140RD-0/35-(27)E

Стоимость товара
760224 руб.
Описание товара
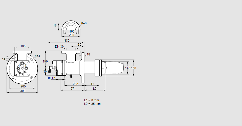
84035018, БИК 140РД-0/35-(27)Е Тип: Газовая горелка с подключением для керамической трубки Размер горелки: 140 Использование: Холодный воздух Тип газа: Для коксового газа, городского газа Длина стальной трубы от фланца печи: 0 мм. Расстояние от фланца печи до переднего края головки горелки: 35 мм. Идентификатор головки горелки: 27 Стадия строительства: Е Код товара: 84162080 Страна происхождения: DE 84035018, BIC 140RD-0/35-(27)E Type: Burner for gas, with connection for ceramic tube Burner size: 140 Use: Cold air Gas type: For coke oven gas, town gas Length of steel tube as of furnace flange: 0 mm Distance from furnace flange to front edge of burner head: 35 mm Burner head identifier: 27 Construction stage: E Commodity code: 84162080 Country of origin: DE
Технические характеристики

Производитель: Kromschröder
Артикул: 84035018