ECOMAX 1M595-SB/R-(33)B-

Описание товара
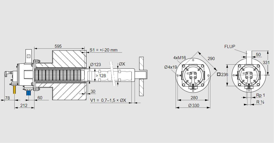
21803208, ЭКОМАКС 1М595-СБ/Р-(33)Б- Тип: Саморекуперативная газовая горелка. Для обогрева печных систем Размер горелки: 1, номинальная мощность: 36 кВт. Рекуператор: С рекуператором из литой стальной ребристой трубы. Длина рекуператора: 595 мм Использование: При поэтапном сжигании. Тип газа: Для природного газа Тип отопления: Для лучистого трубчатого отопления без эдуктора. Идентификатор головки горелки: (33) Стадия строительства: Б Код товара: 84162080 Страна происхождения: DE 21803208, ECOMAX 1M595-SB/R-(33)B- Type: Self recuperative burner for gas For heating of furnace systems Burner size: 1, rated capacity: 36 kW Recuperator: With cast steel ribbed tube recuperator Recuperator length: 595 mm Use: With staged combustion Gas type: For natural gas Type of heating: For radiant tube heating without eductor Burner head identifier: (33) Construction stage: B Commodity code: 84162080 Country of origin: DE
Технические характеристики

Производитель: Kromschröder
Артикул: 21803208