ECOMAX 2M545-SG/D-(34)B-

Стоимость товара
765125 руб.
Описание товара
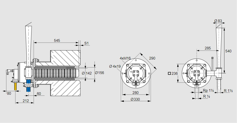
21803405, ECOMAX 2M545-SG/D-(34)B- Тип: Саморекуперативная газовая горелка. Для обогрева печных систем Размер горелок: 2, номинальная мощность: 60 кВт. Рекуператор: С рекуператором из литой стальной ребристой трубы. Длина рекуператора: 545 мм Использование: При поэтапном сжигании. Тип газа: Для сжиженного нефтяного газа Тип нагрева: Для прямого нагрева с эдуктором. Идентификатор головки горелки: (34) Стадия строительства: Б Код товара: 84162080 Страна происхождения: DE 21803405, ECOMAX 2M545-SG/D-(34)B- Type: Self recuperative burner for gas For heating of furnace systems Burner size: 2, rated capacity: 60 kW Recuperator: With cast steel ribbed tube recuperator Recuperator length: 545 mm Use: With staged combustion Gas type: For LPG Type of heating: For direct heating with eductor Burner head identifier: (34) Construction stage: B Commodity code: 84162080 Country of origin: DE
Технические характеристики

Производитель: Kromschröder
Артикул: 21803405