ECOMAX 3C689-SB/R-(31)B-AK

Описание товара
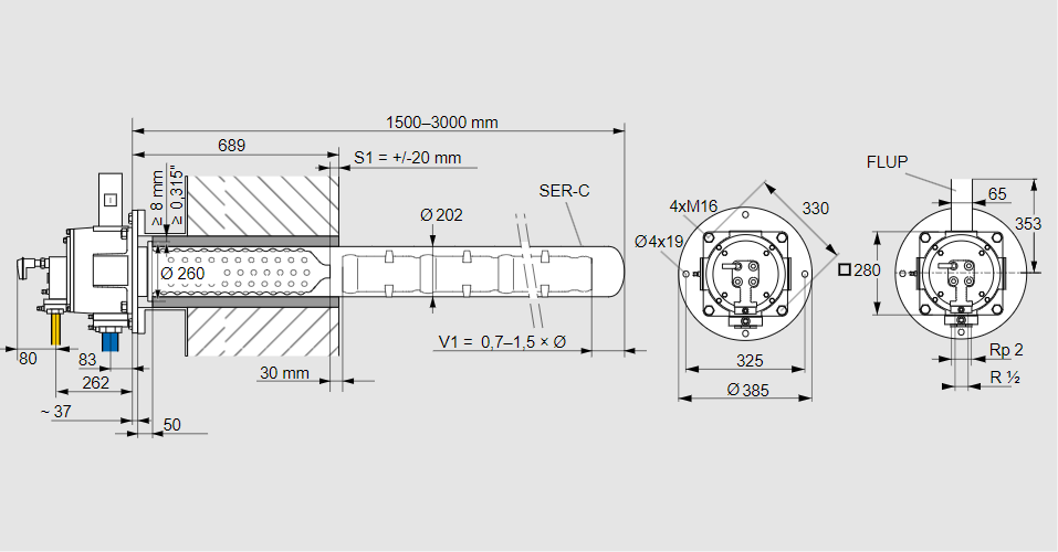
21803460, ECOMAX 3C689-SB/R-(31)Б-АК Тип: Саморекуперативная газовая горелка. Для обогрева печных систем Размер горелок: 3, номинальная мощность: 100 кВт. Рекуператор: С керамическим трубчатым рекуператором из SiSiC. Длина рекуператора: 689 мм Использование: При поэтапном сжигании. Тип газа: Для природного газа Тип отопления: Для лучистого трубчатого отопления без эдуктора. Идентификатор головки горелки: (31) Стадия строительства: Б Электрод специальной конструкции: Электрод из Kanthal APM. Охлаждающий воздух специальной конструкции: дополнительное подключение охлаждающего воздуха для более эффективного охлаждения печи. Код товара: 84162080 Страна происхождения: DE 21803460, ECOMAX 3C689-SB/R-(31)B-AK Type: Self recuperative burner for gas For heating of furnace systems Burner size: 3, rated capacity: 100 kW Recuperator: With ceramic burled tube recuperator made of SiSiC Recuperator length: 689 mm Use: With staged combustion Gas type: For natural gas Type of heating: For radiant tube heating without eductor Burner head identifier: (31) Construction stage: B Special design electrode: Electrode made of Kanthal APM Special design cooling air: Additional cooling air connection for increased furnace cooling Commodity code: 84162080 Country of origin: DE
Технические характеристики

Производитель: Kromschröder
Артикул: 21803460