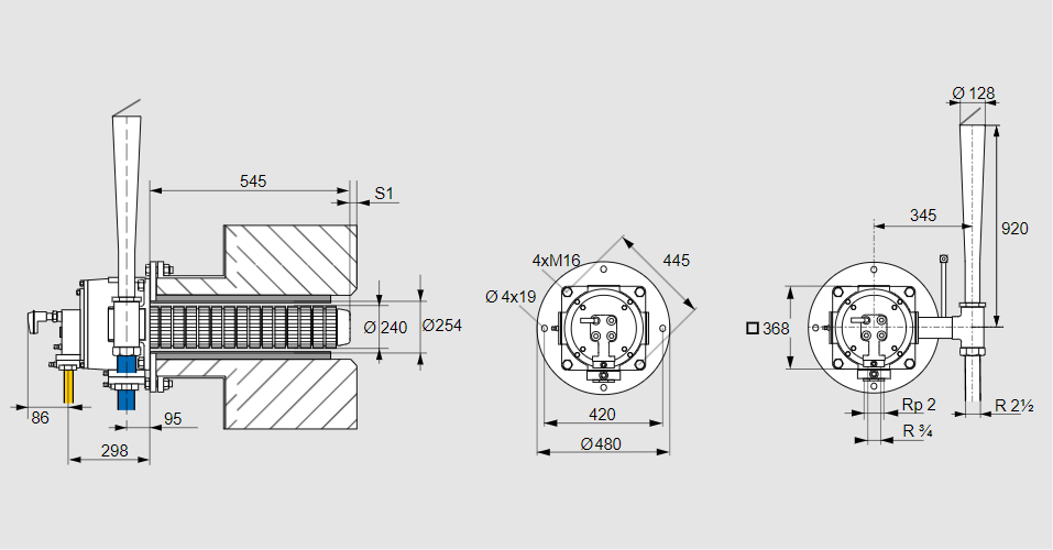
ECOMAX 4M545-SL/D-(34)B-

Стоимость товара
1496054 руб.
Описание товара
21803494, ECOMAX 4M545-SL/D-(34)B- Тип: Саморекуперативная газовая горелка. Для обогрева печных систем Размер горелок: 4, номинальная мощность: 180 кВт. Рекуператор: С рекуператором из литой стальной ребристой трубы. Длина рекуператора: 545 мм Использование: При поэтапном сжигании. Тип газа: Для газа LCV Тип нагрева: Для прямого нагрева с эдуктором. Идентификатор головки горелки: (34) Стадия строительства: Б Код товара: 84162080 Страна происхождения: DE 21803494, ECOMAX 4M545-SL/D-(34)B- Type: Self recuperative burner for gas For heating of furnace systems Burner size: 4, rated capacity: 180 kW Recuperator: With cast steel ribbed tube recuperator Recuperator length: 545 mm Use: With staged combustion Gas type: For LCV gas Type of heating: For direct heating with eductor Burner head identifier: (34) Construction stage: B Commodity code: 84162080 Country of origin: DE
Технические характеристики

Производитель: Kromschröder
Артикул: 21803494