Горелка газовая BIO 100HD-300/235-(115B)D

Стоимость товара
464408 руб.
Описание товара
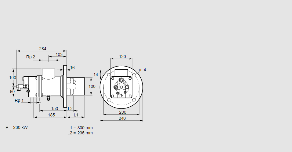
84099894, БИО 100HD-300/235-(115Б)Д Тип: Горелка газовая Размер горелки: 100 Использование: Горячий воздух/высокая температура печи. Тип газа: Для коксового газа, городского газа Длина стальной трубы от фланца печи: 300 мм. Расстояние от фланца печи до переднего края головки горелки: 235 мм. Идентификатор головки горелки: 115 Головка горелки: устойчивая к сере Стадия строительства: D Код товара: 84162080 Страна происхождения: DE 84099894, BIO 100HD-300/235-(115B)D Type: Burner for gas Burner size: 100 Use: Hot air/high furnace temperature Gas type: For coke oven gas, town gas Length of steel tube as of furnace flange: 300 mm Distance from furnace flange to front edge of burner head: 235 mm Burner head identifier: 115 Burner head: Sulphur-resistant Construction stage: D Commodity code: 84162080 Country of origin: DE
Технические характеристики

Производитель: Kromschröder
Артикул: 84099894