Горелка газовая BIO 100KM-100/85-(84)E

Стоимость товара
409537 руб.
Описание товара
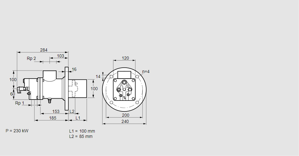
84199401, БИО 100КМ-100/85-(84)Э Тип: Горелка газовая Размер горелки: 100 Использование: Плоское пламя Тип газа: Для пропана, пропана/бутана, бутана (со смесителем) Длина стальной трубы от фланца печи: 100 мм. Расстояние от фланца печи до переднего края головки горелки: 85 мм. Идентификатор головки горелки: 84 Стадия строительства: Е Код товара: 84162080000 Страна происхождения: DE 84199401, BIO 100KM-100/85-(84)E Type: Burner for gas Burner size: 100 Use: Flat flame Gas type: For propane, propane/butane, butane (with mixer) Length of steel tube as of furnace flange: 100 mm Distance from furnace flange to front edge of burner head: 85 mm Burner head identifier: 84 Construction stage: E Commodity code: 84162080000 Country of origin: DE
Технические характеристики

Производитель: Kromschröder
Артикул: 84199401