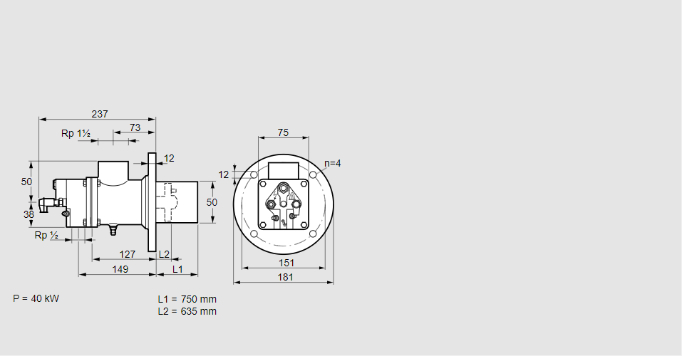
Горелка газовая BIO 50HB-750/635-(37)DB

Стоимость товара
437060 руб.
Описание товара
84199138, БИО 50ХБ-750/635-(37)ДБ Тип: Горелка газовая Размер горелки: 50 Использование: Горячий воздух/высокая температура печи. Тип газа: Для природного газа Длина стальной трубы от фланца печи: 750 мм. Расстояние от фланца печи до переднего края головки горелки: 635 мм. Идентификатор головки горелки: 37 Стадия строительства: D Специальное использование: с отверстиями для продувки воздуха. Код товара: 84162080 Страна происхождения: DE 84199138, BIO 50HB-750/635-(37)DB Type: Burner for gas Burner size: 50 Use: Hot air/high furnace temperature Gas type: For natural gas Length of steel tube as of furnace flange: 750 mm Distance from furnace flange to front edge of burner head: 635 mm Burner head identifier: 37 Construction stage: D Special use: With purging air bore holes Commodity code: 84162080 Country of origin: DE
Технические характеристики

Производитель: Kromschröder
Артикул: 84199138