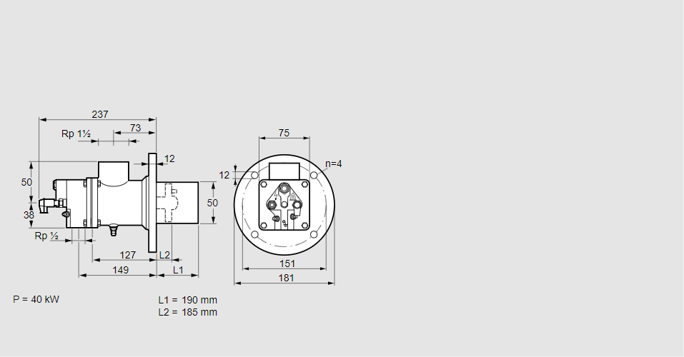
Горелка газовая BIO 50KB-190/185-(34)D

Стоимость товара
314472 руб.
Описание товара
84099738, БИО 50КБ-190/185-(34)Д Тип: Горелка газовая Размер горелки: 50 Использование: Плоское пламя Тип газа: Для природного газа Длина стальной трубы от фланца печи: 190 мм. Расстояние от фланца печи до переднего края головки горелки: 185 мм. Идентификатор головки горелки: 34 Стадия строительства: D Код товара: 84162080 Страна происхождения: DE 84099738, BIO 50KB-190/185-(34)D Type: Burner for gas Burner size: 50 Use: Flat flame Gas type: For natural gas Length of steel tube as of furnace flange: 190 mm Distance from furnace flange to front edge of burner head: 185 mm Burner head identifier: 34 Construction stage: D Commodity code: 84162080 Country of origin: DE
Технические характеристики

Производитель: Kromschröder
Артикул: 84099738