Горелка газовая BIO 50RB-550/535-(39)D

Стоимость товара
377927 руб.
Описание товара
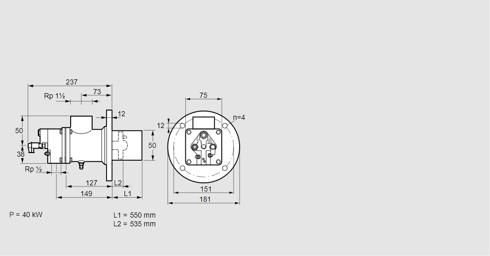
84015561, БИО 50РБ-550/535-(39)Д Тип: Горелка газовая Размер горелки: 50 Использование: Холодный воздух Тип газа: Для природного газа Длина стальной трубы от фланца печи: 550 мм. Расстояние от фланца печи до переднего края головки горелки: 535 мм. Идентификатор головки горелки: 39 Стадия строительства: D Код товара: 84162080 Страна происхождения: DE 84015561, BIO 50RB-550/535-(39)D Type: Burner for gas Burner size: 50 Use: Cold air Gas type: For natural gas Length of steel tube as of furnace flange: 550 mm Distance from furnace flange to front edge of burner head: 535 mm Burner head identifier: 39 Construction stage: D Commodity code: 84162080 Country of origin: DE
Технические характеристики

Производитель: Kromschröder
Артикул: 84015561