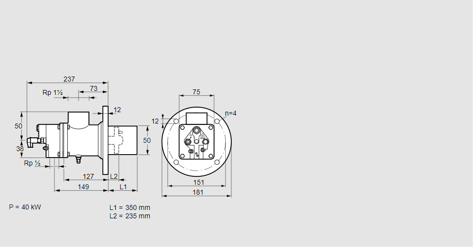
Горелка газовая BIO 50RG-350/235-(40)DB

Стоимость товара
353114 руб.
Описание товара
84199207, БИО 50РГ-350/235-(40)ДБ Тип: Горелка газовая Размер горелки: 50 Использование: Холодный воздух Тип газа: Для пропана, пропана/бутана, бутана Длина стальной трубы от фланца печи: 350 мм. Расстояние от фланца печи до переднего края головки горелки: 235 мм. Идентификатор головки горелки: 40 Стадия строительства: D Специальное использование: с отверстиями для продувки воздуха. Код товара: 84162080 Страна происхождения: DE 84199207, BIO 50RG-350/235-(40)DB Type: Burner for gas Burner size: 50 Use: Cold air Gas type: For propane, propane/butane, butane Length of steel tube as of furnace flange: 350 mm Distance from furnace flange to front edge of burner head: 235 mm Burner head identifier: 40 Construction stage: D Special use: With purging air bore holes Commodity code: 84162080 Country of origin: DE
Технические характеристики

Производитель: Kromschröder
Артикул: 84199207