Горелка газовая BIO 65RB-50/35-(37)E

Стоимость товара
298066 руб.
Описание товара
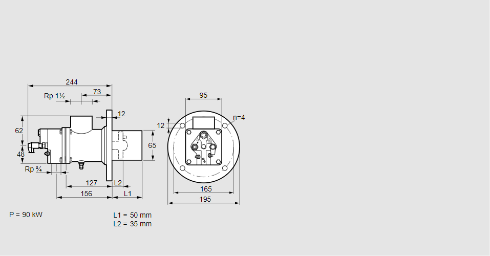
84014118, БИО 65РБ-50/35-(37)Э Тип: Горелка газовая Размер горелки: 65 Использование: Холодный воздух Тип газа: Для природного газа Длина стальной трубы от фланца печи: 50 мм. Расстояние от фланца печи до переднего края головки горелки: 35 мм. Идентификатор головки горелки: 37 Стадия строительства: Е Код товара: 84162080 Страна происхождения: DE 84014118, BIO 65RB-50/35-(37)E Type: Burner for gas Burner size: 65 Use: Cold air Gas type: For natural gas Length of steel tube as of furnace flange: 50 mm Distance from furnace flange to front edge of burner head: 35 mm Burner head identifier: 37 Construction stage: E Commodity code: 84162080 Country of origin: DE
Технические характеристики

Производитель: Kromschröder
Артикул: 84014118