Горелка газовая BIO 65RM-550/535-(71)E

Стоимость товара
416846 руб.
Описание товара
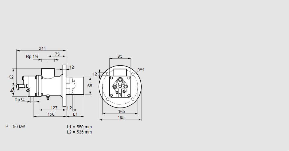
84014667, БИО 65РМ-550/535-(71)Э Тип: Горелка газовая Размер горелки: 65 Использование: Холодный воздух Тип газа: Для пропана, пропана/бутана, бутана (со смесителем) Длина стальной трубы от фланца печи: 550 мм. Расстояние от фланца печи до переднего края головки горелки: 535 мм. Идентификатор головки горелки: 71 Стадия строительства: Е Код товара: 84162080 Страна происхождения: DE 84014667, BIO 65RM-550/535-(71)E Type: Burner for gas Burner size: 65 Use: Cold air Gas type: For propane, propane/butane, butane (with mixer) Length of steel tube as of furnace flange: 550 mm Distance from furnace flange to front edge of burner head: 535 mm Burner head identifier: 71 Construction stage: E Commodity code: 84162080 Country of origin: DE
Технические характеристики

Производитель: Kromschröder
Артикул: 84014667