Горелка газовая BIO 80HD-100/35-(51)E

Стоимость товара
337587 руб.
Описание товара
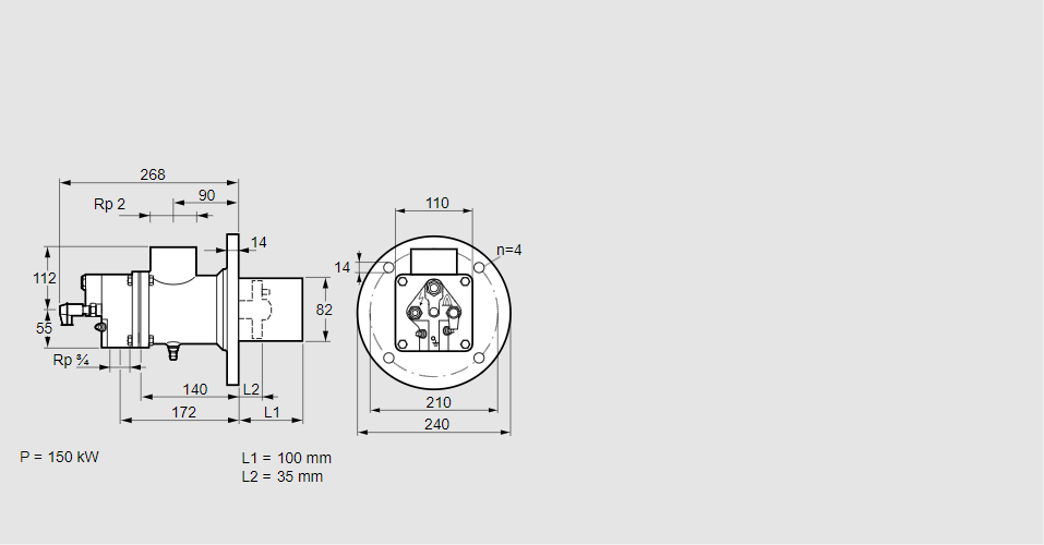
84099858, БИО 80HD-100/35-(51)Э Тип: Горелка газовая Размер горелки: 80 Использование: Горячий воздух/высокая температура печи. Тип газа: Для коксового газа, городского газа Длина стальной трубы от фланца печи: 100 мм. Расстояние от фланца печи до переднего края головки горелки: 35 мм. Идентификатор головки горелки: 51 Стадия строительства: Е Код товара: 84162080 Страна происхождения: DE 84099858, BIO 80HD-100/35-(51)E Type: Burner for gas Burner size: 80 Use: Hot air/high furnace temperature Gas type: For coke oven gas, town gas Length of steel tube as of furnace flange: 100 mm Distance from furnace flange to front edge of burner head: 35 mm Burner head identifier: 51 Construction stage: E Commodity code: 84162080 Country of origin: DE
Технические характеристики

Производитель: Kromschröder
Артикул: 84099858