Горелка газовая BIO 80RB-650/635-(6)E

Описание товара
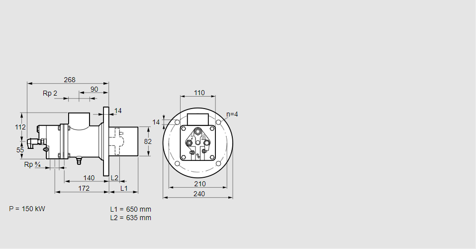
84021077, БИО 80РБ-650/635-(6)Э Тип: Горелка газовая Размер горелки: 80 Использование: Холодный воздух Тип газа: Для природного газа Длина стальной трубы от фланца печи: 650 мм. Расстояние от фланца печи до переднего края головки горелки: 635 мм. Идентификатор головки горелки: 6 Стадия строительства: Е Код товара: 84162080 Страна происхождения: DE 84021077, BIO 80RB-650/635-(6)E Type: Burner for gas Burner size: 80 Use: Cold air Gas type: For natural gas Length of steel tube as of furnace flange: 650 mm Distance from furnace flange to front edge of burner head: 635 mm Burner head identifier: 6 Construction stage: E Commodity code: 84162080 Country of origin: DE
Технические характеристики

Производитель: Kromschröder
Артикул: 84021077