Горелка газовая BIOA 65RB-50/35-(37)D

Стоимость товара
244929 руб.
Описание товара
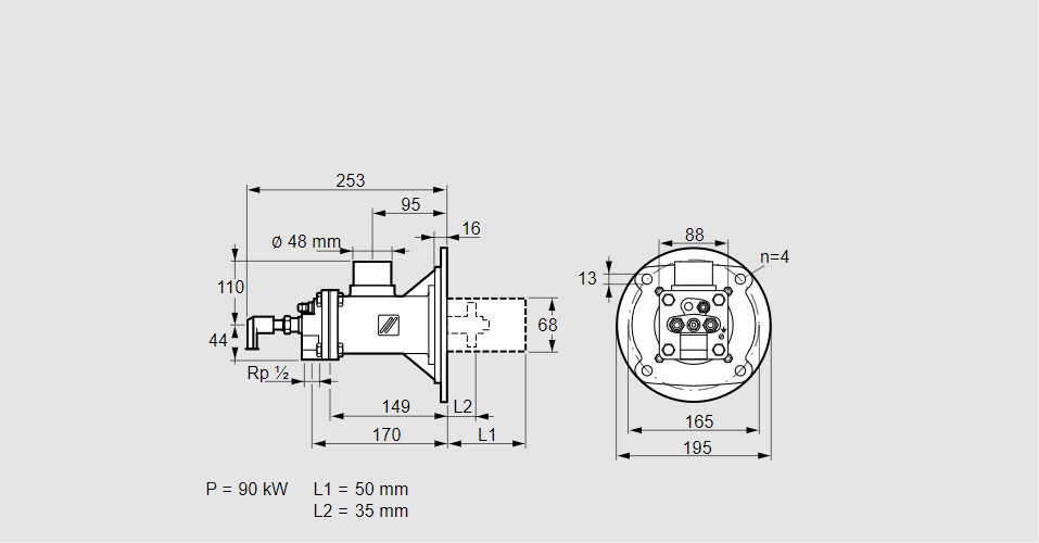
84022511, БИОА 65РБ-50/35-(37)Д Тип: Горелка газовая, с алюминиевым корпусом Размер горелки: 65 Использование: Холодный воздух Тип газа: Для природного газа Длина стальной трубы от фланца печи: 50 мм. Расстояние от фланца печи до переднего края головки горелки: 35 мм. Идентификатор головки горелки: 37 Стадия строительства: D Код товара: 84162080 Страна происхождения: DE 84022511, BIOA 65RB-50/35-(37)D Type: Burner for gas, with aluminium housing Burner size: 65 Use: Cold air Gas type: For natural gas Length of steel tube as of furnace flange: 50 mm Distance from furnace flange to front edge of burner head: 35 mm Burner head identifier: 37 Construction stage: D Commodity code: 84162080 Country of origin: DE
Технические характеристики

Производитель: Kromschröder
Артикул: 84022511