Горелка газовая ZIC 165RBL-0/35-(20)D

Описание товара
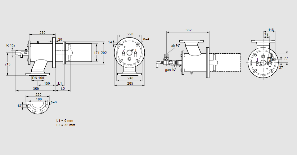
84246517, ЗИК 165РБЛ-0/35-(20)Д Тип: Газовая горелка с подключением для керамической трубки Размер горелки: 165 Использование: Холодный воздух Тип газа: Для природного газа Вариант: Факел Длина стальной трубы от фланца печи: 0 мм. Расстояние от фланца печи до переднего края головки горелки: 35 мм. Идентификатор головки горелки: 20 Стадия строительства: D Код товара: 84162080 Страна происхождения: DE 84246517, ZIC 165RBL-0/35-(20)D Type: Burner for gas, with connection for ceramic tube Burner size: 165 Use: Cold air Gas type: For natural gas Variant: Torch Length of steel tube as of furnace flange: 0 mm Distance from furnace flange to front edge of burner head: 35 mm Burner head identifier: 20 Construction stage: D Commodity code: 84162080 Country of origin: DE
Технические характеристики

Производитель: Kromschröder
Артикул: 84246517