Клапан эл.магнитный сдвоенный VCS 8100F05NNWL3E/3-MP/PP34

Стоимость товара
1024748 руб.
Описание товара
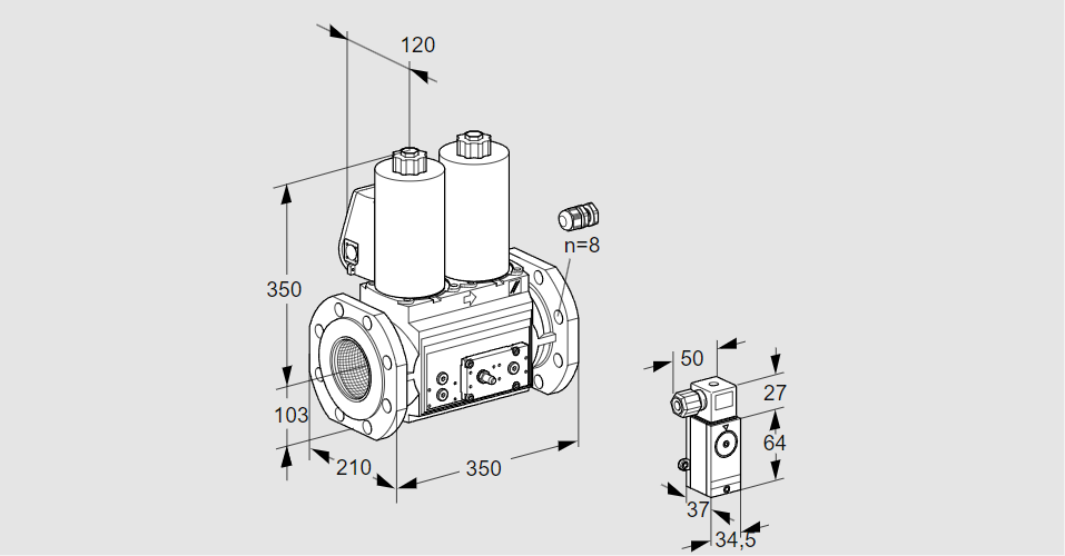
88207333, ВКС 8100F05NNWL3E/3-МП/ПП34 Тип: Двойной электромагнитный клапан Для автоматического отключения, закрывается при отсутствии напряжения, для природного газа, сжиженного нефтяного газа и воздуха, класс A по EN 161, с синей контрольной лампой, IP 65, одобрен FM, сертифицирован ЕС. Размер: 8 Номинальный диаметр: Ду 100 Трубное соединение: Фланец по ISO 7005. Давление на входе: pu макс. 500 мбар Свойства открытия, 1-й клапан: Быстрое открытие, быстрое закрытие. Свойства открытия, 2-й клапан: Быстрое открытие, быстрое закрытие. Напряжение сети: 230 В~, 50/60 Гц Сторона просмотра: Левая Электрическое подключение: кабельный ввод M20. Боковая обработка: подготовлено для переходных пластин. Аксессуары справа, вход: Реле давления DG 110VC. Принадлежности справа, промежуточное пространство 1: Нет Принадлежности справа, пространство 2: точка измерения давления Аксессуары справа, выход: Резьбовая заглушка Принадлежности, левый, вход: Резьбовая заглушка Принадлежности слева, пространство 1: Резьбовая заглушка Принадлежности слева, промежуточное пространство 2: Реле давления DG 110VC. Аксессуары слева, выход: Реле давления DG 300VC Код товара: 84814090 Страна происхождения: DE 88207333, VCS 8100F05NNWL3E/3-MP/PP34 Type: Double solenoid valve For automatic shut-off, closed when de-energized, for natural gas, LPG and air, Class A to EN 161, with blue pilot lamp, IP 65, FM approved, EU certified Size: 8 Nominal diameter: DN 100 Pipe connection: Flange to ISO 7005 Inlet pressure: pu max. 500 mbar Opening properties, 1st valve: Quick opening, quick closing Opening properties, 2nd valve: Quick opening, quick closing Mains voltage: 230 V~, 50/60 Hz Viewing side: Left Electrical connection: M20 cable gland Lateral machining: Prepared for adapter plates Accessories, right, inlet: Pressure switch DG 110VC Accessories, right, interspace 1: None Accessories, right, interspace 2: Pressure test point Accessories, right, outle: Screw plug Accessories, left, inlet: Screw plug Accessories, left, interspace 1: Screw plug Accessories, left, interspace 2: Pressure switch DG 110VC Accessories, left, outlet: Pressure switch DG 300VC Commodity code: 84814090 Country of origin: DE
Технические характеристики

Производитель: Kromschröder
Артикул: 88207333